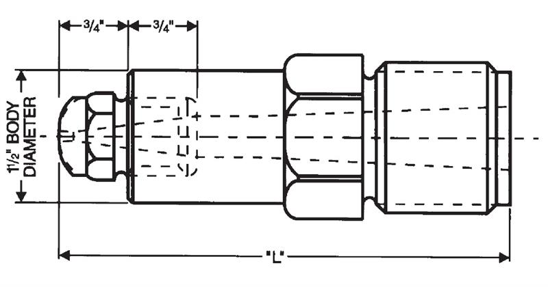
L’ugello aperto con puntale intercambiabile è stato sviluppato non solo per rispondere alle esigenze di flessibilità, ma anche per ottenere un costo con cui anche la vostra officina difficilmente potrebbe competere - e senza alcun compromesso con la qualità.

Il sistema di ugello aperto con puntale intercambiabile è la soluzione flessibile e moderna. Sia l’ugello che il puntale sono oggetto delle nostre severe procedure di controllo qualità prima di essere rilasciati per essere spediti.

Il puntale si cambia in pochi secondi con una normalissima chiave. Per cambiare puntale non è necessario togliere la resistenza.

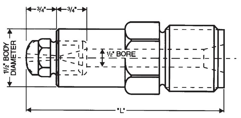
  • TIPO GP - Tipo universale: E’ il tipo standard a flusso facilitato, l’interno è stato progettato per offrire la minima resistenza al flusso e all’aumento della contropressione. Il diametro del passaggio è di 12.7 mm.
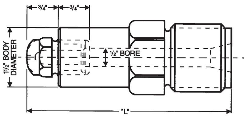
  • TIPO NRT - Cono rovesciato per Nylon: Suggerito per poliammidi, acrilici e materiali sensibili alle temperature. Corpo tipo general purpose.
  • TIPO ABS - Cono intero ABS: Per ABS, PVC e altri materiali viscosi. Riduce il calore di frizione e le zone di residenza.
    Si raccomandano fori ampi per ridurre al minimo la resistenza al flusso.

PRONTA CONSEGNA: Possiamo fornire il servizio di pronta consegna per gli ugelli per le presse più diffuse sul mercato Europeo. È sufficiente comuncare il codice articolo originale o preferibilemente la pagina del manuale relativa al gruppo di plastificazione

Disponibili per macchine standard o su disegno.